Mały silnik przekładni AC Dostawcy

  • Seria 400W
  • Seria 400W
  • Seria 400W
  • Seria 400W
Mały silnik przekładni AC

Seria 400W

Moc silnika: 400 W (1/2 KM) Instalacja pozioma lub pionowa

Faza: jednofazowa / trzy faza

Wskaźnik przekładni: 3-1800k

Wybór silnika: silnik 3-fazowy 220V-240V/380V-415V, 50 Hz/60 Hz; 1 silnik fazowy, 220 V, 50 Hz/60 Hz; Silnik 1 fazowy, 110 V, 50 Hz / 60 Hz

Średnica wału wyjściowego: φ22mm φ28mm φ32mm φ40mm

  • Seria 400W
  • Seria 400W
  • Seria 400W
  • Seria 400W
APLIKACJA OBSZAR
Jesteśmy przedsiębiorstwem high-tech zajmującym się produkcją i sprzedażą silników prądu przemiennego z przekładnią zębatą, małych silników redukcyjnych, przekładni planetarnych przeznaczonych do serwomechanizmów, silników prądu stałego bezszczotkowych i bezszczotkowych oraz innych produktów.
  • Sortowanie logistyczne

  • Zautomatyzowane roboty

  • cięcie laserowe

  • Brama kontroli dostępu

  • Elektrownia fotowoltaiczna

  • Urządzenia medyczne

  • Agv

Opis produktu

CH22/CV22-400W- (Standardowe pole 1: 3 ~ 10) (zmniejszone pole 1: 15 ~ 90) Schemat rozmiaru

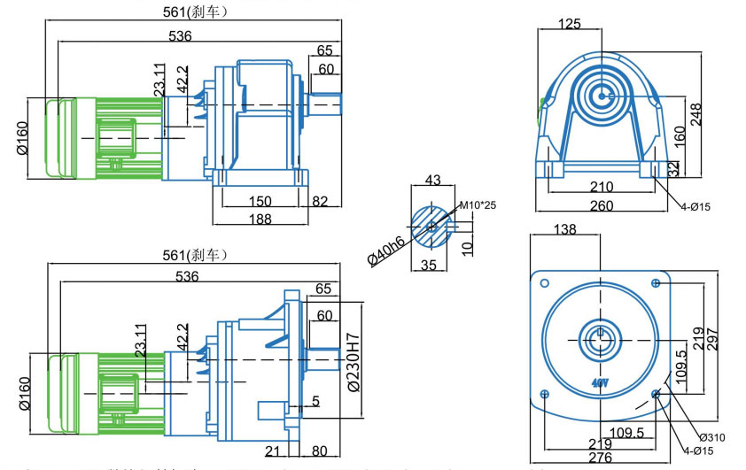
CH32/CV32-400W (1: 210 lub wyższy wskaźnik) Diagram wymiarowy

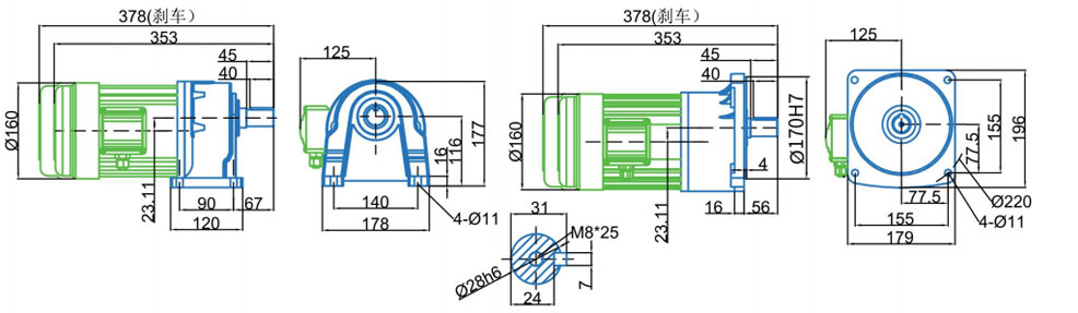
CH28/CV28-400W - (Standardowe pole 1: 15 ~ 90) (zmniejszone pole 1: 100 ~ 200 Stosunek) rysunek wymiarowy

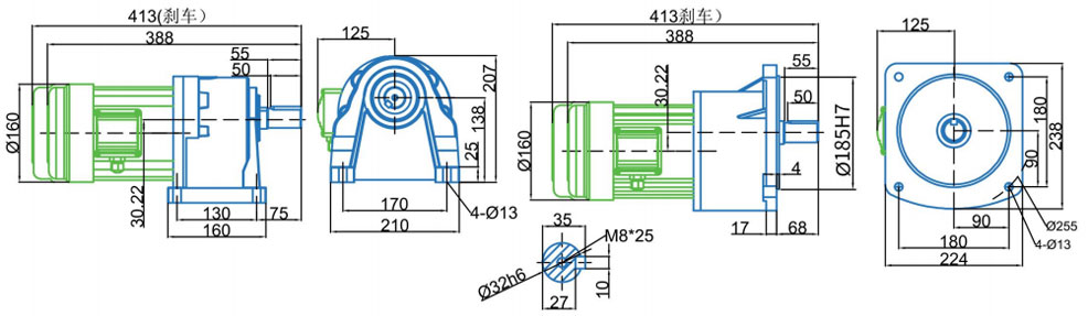
CH40/CV40-400W (1: 210 lub wyższy wskaźnik) Schemat wielkości

CH32/CV32-400W - (standardowe pole 1: 100 ~ 200 wskaźnik) Rysowanie wymiarowe

Parametr maszyn elektrycznych

Parametr maszyn elektrycznych

Power (KW)

Typ

Napięcie (v)

Częstotliwość (HZ)

Prąd znamionowy (a)

Znamionowa prędkość obrotowa (RMP)

Kondensatory (μF)

Klasyfikacja izolacji

System ochronny

0,4 kW

1/2HP

Jednofazowy

220V

50 Hz

1.1a

1420RMP

16 μf 、 100 μf

F

IP54

Trójfazowy

220 V/380 V.

50 Hz

2.1a/1.2a

1420rmp

/

Tabela momentu obrotowego 400W- (1: 3-1800)

Stosunek GERA

3

5

10

15

20

25

30

40

50

60

70

80

90

100

120

140

160

180

200

300

1200

1800

Wyjście R.P.M.

50 Hz

500

300

150

100

75

60

50

37

30

25

21.4

18.8

16.7

15

12.5

10.7

9.4

8.4

7.5

5

1.25

0.83

60 Hz

600

360

180

120

90

72

60

45

36

30

25.7

22.5

20

18

15

12.9

11.3

10

9

6

1.5

1

Moment wyjściowy kg/m

50 Hz

0.7

1.2

2.4

3.6

4.8

6

7.2

9.3

11.6

13.9

16.2

18.4

20.7

23

27.7

32

36

40.8

43.2

70.2

70.2

70.2

60 Hz

0.6

1

2

3

4

5

6

7.8

9.7

11.6

13.5

15.4

17.3

19.2

23.1

26.7

30.3

34

36

56.7

56.7

56.7

Prędkość w tabeli jest obliczana na podstawie prędkości znamionowej silnika przy 50 Hz/60 Hz, 1420R.min/1732R.

Rzeczywista prędkość będzie się nieznacznie różnić w zależności od wielkości obciążenia, przy zakresie zmiany około ± 5%.

+ Zrozum szczegółowe parametry produktu
Skontaktuj się z nami
  • Upload

O nas
Zhejiang Saiya Intelligent Manufacturing Co., Ltd.
Zhejiang Saiya Intelligent Manufacturing Co., Ltd. założona w 2009 roku, z 15-letnim doświadczeniem w branży, która jest przedsiębiorstwem high-tech specjalizującym się w produkcji i sprzedaży mikrosilników AC, małych silników AC, szczotkowych silników DC, bezszczotkowych silników BLDC DC, precyzyjnych przekładni planetarnych i rolek silnikowych...itp. Chiny Hurtownie Seria 400W Dostawcy I Produkcja OEM/ODM Seria 400W Producenci, Silniki i przekładnie Saiya są szeroko stosowane w robotach przemysłowych, inteligentnej logistyce, nowych maszynach energetycznych, robotach AGV i innych zaawansowanych dziedzinach. Ponadto odgrywają one kluczową rolę w przetwórstwie żywności, pakowaniu, tekstyliach, elektronice, sprzęcie medycznym i specjalistycznych maszynach, oferując opłacalne i zróżnicowane rozwiązania dla różnych branż. Aby zwiększyć nasze zalety w zakresie zróżnicowania i opłacalności, mamy własną firmę handlową, Hangzhou Saiya Transmission Equipment Co., LTD z siedzibą w Hangzhou, Zhejiang, która znajduje się w pobliżu portów Szanghaj i Ningbo, aby obsługiwać działalność krajową i zagraniczną, w połączeniu ze sprzedażą bezpośrednią i dystrybucją, zapewnia globalną dystrybucję i obsługę klienta, zapewniając wysokiej klasy ekonomiczne i niezawodne rozwiązania dla wszystkich naszych klientów.

Kultura korporacyjna

Autentyczny Niezawodny
Jakość naturalnie się wyróżnia.

Wartości podstawowe: Rozwijanie siebie i troska o innych.

Wizja:Zostań ekspertem serwisowym w dziedzinie inteligentnej transmisji.

Nasza misja:Świadczenie wysokiej jakości usług i tworzenie wartości dla klientów.

Filozofia usług:Dążenie do zapewnienia wszystkim pracownikom zarówno szczęścia materialnego, jak i duchowego oraz przyczynianie się do postępu i rozwoju społeczeństwa ludzkiego.

  • 2009

    Ustanowienie
  • 80+

    Personel
  • 5+

    Linia produkcyjna
Aktualności